
监测意义
金属氧化锌避雷器是电力设备的关键设备,流经避雷器上的阻性电流是衡量避雷器绝缘程度的一项重要指标。通过对避雷器的全电流、阻性电流、容性电流、雷击次数及雷击时刻进行实时在线监测,可实现对高压电气设备的绝缘状况进行实时监测;同时,通过分析监测数据可及时发现金属氧化锌避雷器潜在的故障并为状态检修提供重要的数据依据,为电力系统安全、可靠、稳定、经济的运行提供了一个强力、可靠的保证,为运行检修人员提供可靠的设备绝缘信息和科学的检修依据,从而达到减少事故发生,延长检修间隔,减少停电检修次数和时间,提高设备利用率和整体经济效益的目的。
系统概述
避雷器在线监测系统实现金属氧化锌避雷器绝缘性能的监测:
CFC-AM01避雷器在线监测装置用于采集1台避雷器的泄露电流及雷击次数和雷击事件;
CFC-AM02母线电压在线监测装置用于采集避雷器所在母线的3相电压参数。
CFZ-IED01智能在线监测IED和状态监测综合服务器,一起构成避雷器在线监测系统,系统组成如图1.1所示。避雷器在线监测系统采用先进的分层分布式结构,应用总线控制技术和模块化设计原理,使系统的抗干扰性能、测量的准确性和稳定性都得到了很大的提高,满足了工业现场实用要求,并采用智能分析系统对采集的数据进行科学分析诊断,便于及时方便地了解并掌握变电设备的健康状态。
通过实时监测避雷器的全电流、阻性电流、容性电流以及雷击次数、雷击时刻,通过对监测到的数据进行分析、拟合处理,并结合现场工况,可及时地发现避雷器由污秽或内部受潮引起的瓷套泄漏电流或绝缘杆泄漏电流增大等问题,以避免事故的发生。
系统特点
◇ 采用高精度有源零磁通穿心式互感器,根据被测电流大小自动选择放大倍数,实现高精度测量
◇ 采用动态相量补偿算法,实现高精度测量信号分析
◇ 采用数字滤波算法,摒除模拟滤波器带来的“零漂问题”
◇ 采用分布式测量结构,即就地测量、数字传输
◇ 可带电安装,即不需要主设备停电安装,方便、快捷的接入系统
设计依据
◇ Q/GDW 534-2010《变电设备在线监测系统技术导则》
◇ Q/GDW 535-2010《变电设备在线监测系统装置通用技术规范》
◇ Q/GDW 410-2010《高压设备智能化技术导则》
◇ Q/GDW 383-2009《智能变电站技术导则》
◇ 国家电网公司《高压开关设备智能化技术条件》
◇ 《IEC61850国际标准工程化实施技术规范》
◇ 南方电网公司《变电设备在线监测装置通用技术规范》
◇ 耐压:2.0KV/min无击穿和闪络
◇ 绝缘电阻符合IEC255-5标准
◇ 耐压符合IEC255-5标准
◇ 脉冲电压测试符合IEC255-5标准
◇ 湿热性能符合IEC68-2-38标准
◇ 共模符合IEC255-22-1标准
◇ 差模符合IEC255-22-1标准
◇ 静电放电符合IEC255-22-2标准
◇ 电磁场辐射干扰符合IEC255-22-3标准
◇ 快速瞬变干扰符合IEC255-22-4标准
技术指标
1工作环境
◇ 工作电压:交流 220V±10%,50Hz
◇ 功 耗: 额定电压下<5W
◇ 环境温度
户内系统: -10℃ ~ +55℃
户外系统: -25℃ ~ +70℃
◇ 工作环境湿度: ≤95%
2监测参数指标
◇ 测量电流范围: 0.05mA~650mA,测量精度±1%
◇ 母线电压测量范围:35kV~1000kV, 测量精度0.5%
◇ 谐波电压测量范围:3、5、7、9次,测量精度±2%
◇ 系统频率测量范围:45~65Hz,测量精度±0.001Hz
◇ 雷击次数记录:0~255,年月日时分秒
◇ 温度:-20℃~80℃,±0.5%
◇ 湿度:0~100%RH,±3%
3 其他技术指标
◇ 系统容量:就地模块80个
◇ 监测周期:出厂设置1 小时
◇ 采样周期:实时
◇ CAN网结构,网络速率为:<500Kbps
◇ RS485结构,网络速率为: ≤2400bps
◇ 系统生存周期为3年以上。
◇ 系统的平均无故障工作时间(MTBF):户内:大于5×104小时。
户外:大于3×104小时。
主要功能
避雷器在线监测装置采用模块化设计,每个装置分别采样避雷器的ABC三相电流或同时采集母线ABC三相电压,同时还采集公用电源220V的幅值和相位,为采集控制单元提供计算对比数据。每个避雷器在线监测装置都具备CAN或485通信功能,装置之间通过总线互联。
具体功能如下:
1、采集避雷器装置的泄露电流及参考电压,计算避雷器泄露电流基波及3、5、7、9次谐波,统计雷击次数及雷击时间等。
2、采集PT单元母线电压及参考电压,计算母线电压基波及3、5、7、9次谐波。
3、CAN或485网络通信
4、实时时钟:每个装置都具备实时时钟的功能
5、温湿度采集控制:采用高精度温湿度传感器,可以实时采集装置内部温湿度。
6、IEC61850通信
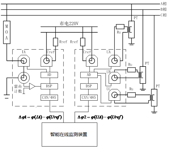
测量原理
避雷器在线监测系统计算阻性电流时需要获得避雷器泄露电流与避雷器所在母线电压的相位差。获得精确相位差是阻性电流计算精度的重要保证。考虑到泄露电流与母线电压在不同装置中实现,且装置安装位置可能间隔较远,本装置采用市电同步法解决不同装置之间同步采样的问题,以获得精确的相位差。同步原理图如下图所示。

以A相避雷器监测为例:
(1)智能在线监测IED下发同步采集命令给避雷器在线监测装置和母线电压在线监测装置:
避雷器在线监测装置同步采集A相避雷器泄露电流和市电电压,经FFT快速滤波算法得到A相泄露电流基波相位
与市电基波相位
,计算相位差
;
母线电压在线监测装置同步采集避雷器所在母线A相电压和市电电压,经FFT快速滤波算法得到A相母线电压基波相位
与市电基波相位
,计算相位差
;
(2)智能在线监测IED下发读数据命令给避雷器在线监测装置和母线电压在线监测装置,避雷器在线监测装置和母线电压在线监测装置将相角差
、
及其他监测数据上送到智能在线监测IED,综合智能在线监测装置计算相角差:

以及其他监测数据,做出诊断,并将数据和诊断结果上送至后台软件。
现场案例
